Pathway Lighting Ideas
Design tips for illuminating garden walkways
Pathway lighting makes the landscape safe and inviting to walk in after dark. These directional path lights have a simple style and are nestled into the plantings for a more natural look. Greenleaf Services Inc. in Linville, NC
Pathway lighting may be the most important lighting to install. Even if you’re on a budget, you’ll want to be able to walk through your landscape at night safely. When lighting the path directly, “we stagger the lighting from side to side, and never have it in a row or all on one side,” says Gerry DuBreuil of Belknap Landscape Company, Inc. in Gilford, NH. Other landscapers agree. “When you offset the lights, there’s a sense of balance,” says Matt Barton of Copper Creek Landscaping, Inc. in Mead, WA. Of course, you needn’t feel that all pathway lighting needs to be right along the edge of the path. “We’ll use some path lights, but then add some ambient lighting within the beds to provide depth,” says DuBreuil.
Landscape designer and garden artisan, Scott Cohen, of The Green Scene in Northridge, CA emphasizes the importance of outdoor path lighting for both safety and wayfinding. Wayfinding is the process by which people find their way through your landscape. At night, lighting is essential for guiding people along your garden's pathways.
Path Lighting Mistakes to Avoid:
- Placing lights too close together - can create a runway effect
- Using lights that are too bright - subtlety is key in path lighting
- Lights that shine up into visitors eyes, or create glare
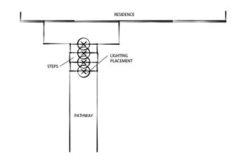
Path Lighting Technique

Path Lighting Technique(PDF)
To avoid making the entrance to your home look like an airport landing strip, stagger lights on either side of the walkway.
Step Lighting Technique

Step Lighting Technique(PDF)
Louvered lights illuminate the face of steps without drawing too much attention.
When it comes to path lighting there are a variety of options. The first and most popular option is to install path lights that line the walkway. Path lights are available in LED and solar models and come in many styles such as lanterns, lamps, or posts. The second option is recessed or paver lights. Recessed lights are actually installed in the edges of the walkway paving. Some paver manufacturers offer solar powered paver lights that install easily and don't require any wiring. Finally, you can light either end of a path with lantern topped piers, pillars and bollards. This type of lighting provides greater visibility and creates a focal point.
Step LightingStep lighting is important for safety, but it’s also an attractive way of bringing depth and the interplay of shadows to the landscape. However, remember the cardinal rule of lighting. “You don’t want to see the lights themselves, you want to see what you’re lighting,” says TJ Wilcoxson of Alexon Design Group in Gilbert, AZ. Louvered lights attached to the face of the steps light the way without becoming a feature.
Learn more about Landscape Lighting, including special techniques and fixture types.

Backyards
Front Yards

